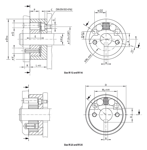
Irreversible Locks

Contact us

Spain


 



RINGSPANN IBERICA S.A.

C/Uzbina, 24-Nave E1

01015 Vitoria

Spain



+34 945 22 77-50

 

info@ringspann.es

 

www.ringspann.es

*

 

 

* *

 

*

 

 

*

250 / 250 characters

 

I accept the privacy policy *

By accepting the box you agree to receive information about our company and our news (products, catalogs ...).


 I am not a robot

 


* The fields marked with a star are required fields.