Power Transmission Components for Uphill Conveyors

RLK 608 Bild

  Shrink Discs

to connect hollow gearbox shafts with pulley shafts

FXM Bild

  High Speed Backstops

to prevent reverse motion of conveyor belts

HW 075 FHM

  Hydraulic Brakes

for braking and holding of conveyor belts

trommelbremse NC

  Drum Brakes

for braking and holding of conveyor belts

130 141001

  Cone Clamping Elements

to connect pulley drums with pulley shafts

  Control Systems

for controlled braking of conveyor belts

BCS1000
hydraulic power units

  Hydraulic Power Units

to supply hydraulic power to brakes

Ridig Shaft Couplings

  Tru-Line Flange-Couplings

to connect solid gearbox shafts with pulley shafts

low speed backstops

  Low Speed Backstops

to prevent reverse motion of conveyor belts

Power Transmission Components for Bucket Elevators

RLK 608 Bild

  Shrink Discs

to connect hollow gearbox shafts with solid bucket elevator shafts

FXM Bild

  High Speed Backstops

to prevent reverse motion of bucket elevators

  Freewheels as Overrunning Clutches

to automatically engage and disengage main drives and auxilliary drives

low speed backstops

  Low Speed Backstops

to prevent reverse motion of bucket elevators

  Tru-Line Flange-Couplings

to connect solid gearbox shafts with bucket elevator shafts

Ridig Shaft Couplings

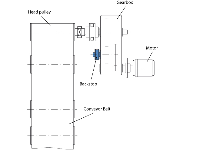
Backstops for Belt Conveyors and Bucket Elevators

High Speed Backstops

FXM Bild
  • High Speed Backstops are located on the 2nd or 1st gearbox reduction shaft and prevent reverse motion of conveyor belts or bucket elevators.
  • They are equipped with sprag lift-off X which ensures a wear free freewheeling operation when the backstop is rotating at high speeds with the gearbox shaft. In this state of operation, the backstop works wear-free, i.e. with unlimited service life.
  • Maintenance free
  • Cost effective

High Speed Backstops with Torque Limiting

FXR gruppe
  • High Speed Backstops with Torque Limiting are used in belt conveyors with multiple drives and prevent reverse motion of conveyor belts.
  • They solve the problem of uneven load distribution in multiple drives.
  • They are equipped with spraglift-off X which ensures a wear free freewheeling operation when the backstop is rotating at high speeds with the gearbox shaft. In this state of operation, the backstop works wear-free, i.e. with unlimited service life.
  • Maintenance free
  • The integrated torque limiters protect the gearboxes and backstops from overload by dynamic peak torques.
  • Smaller gearboxes can be used without negatively effecting the safety.
  • Available with or without controllable release function
  • Cost effective

Low Speed Backstops

low speed backstops
  • Low Speed Backstops are located on pulley or head shafts of gearboxes and prevent reverse motion of conveyor belts or bucket elevators.
  • Taconite seals protect the backstop from contamination with dust or dirt.
  • Low Speed Backstops allow the removal of the drive unit when the conveyor belt is loaded.

Power Transmission Components for Bucket Wheel Excavators and for Stackers and Reclaimers

Ridig Shaft Couplings

Tru-Line Flange-Couplings

to connect solid gearbox shafts with bucket elevator shafts

REB DCO Bild

Pin and Bush Couplings

for elastic connection of solid gearbox shafts with solid pulley shafts on conveyor drives

RLK 608 Bild

Shrink Discs

  • to connect drive units with hollow shafts to bucket wheels
  • to connect hollow gearbox shafts with solid pulley shafts on conveyor drives
130 141001

Cone Clamping Elements

  • to connect pulley drums with pulley shafts
  • to connect machine elements with shafts
HW 075 FHM

Hydraulic Brakes

  • in conveyor drives
  • in boom hoist drives
  • in slewing drives
  • in bucket wheel drives
  • in bogy drives

Friction Torque Limiters

  • to protect drive units from overload
  • heavy-duty series also available
Friction Torque Limiters
SC Bild

Positive Torque Limiters

to protect drive units from overload

Power Transmission Components for Mine Hoists

HW 075 FHM

Hydraulic Brakes

for braking and holding of mine hoists and winches

BCS1000

Control Systems

for controlled braking of mine hoists and winches

Power Transmission Components for Crushers

Friction Torque Limiters

Friction Torque Limiters

  • to protect drive units from overload
  • heavy-duty series also available
SC Bild

Positive Torque Limiters

to protect drive units from overload

130 141001

Cone Clamping Elements

to connect machine elements with shafts

RDZ DTO Bild

Gear Couplings

for torsionally rigid connection of machine shafts

Contact us

Spain


 



RINGSPANN IBERICA S.A.

C/Uzbina, 24-Nave E1

01015 Vitoria

Spain



+34 945 22 77-50

 

info@ringspann.es

 

www.ringspann.es

*

 

 

* *

 

*

 

 

*

250 / 250 characters

 

I accept the privacy policy *

By accepting the box you agree to receive information about our company and our news (products, catalogs ...).


 I am not a robot

 


* The fields marked with a star are required fields.